Hollywood Auto Repair Shop and Auto Body

onestop auto shop

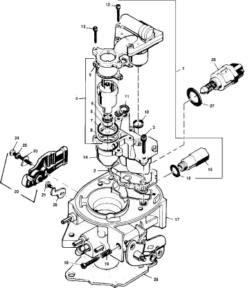
Carburetor

If all the carburetor needs is cleaning and adjusting, then a kit will usually do the trick. A kit is also an option if the carburetor needs a gasket, diaphragm, needle valve, check valve, or other component commonly included in a kit.

Floats, choke housings and choke pulloffs are usually sold separately, but are relatively easy to replace if defective. Faulty or misadjusted chokes and floats probably account for more carburetor problems than anything else.

Most carburetors today have molded foam floats rather than hollow brass floats. Some import carbs have hollow plastic floats. If a hollow float develops a leak, it will fill with fuel and sink, causing the carburetor to flood.

The solid foam variety can absorb fuel over a period of time. That’s why the float should always be weighed when the carburetor is rebuilt. A heavy float will make the fuel mixture rich. Replace heavy floats.

Kits are not for everyone. It takes a fair amount of know-how to properly rebuild and adjust a carburetor. It also takes a lot of time to disassemble, clean, inspect, and reassemble a carburetor. Many professional installers, as well as do-it-yourselfers, prefer to replace a troublesome carburetor rather than to try to rebuild it with a kit.

There are some carburetor problems that cannot be fixed by a kit or by replacing faulty components. Wear around throttle shafts or warpage in the carburetor body or throttle plate can create vacuum leaks that foul up fuel metering. The only option here is replacement.

Most rebuilt carburetors are sold on an exchange basis, so it’s important to make sure that the exchange carburetor is complete (all external parts intact), has not been disassembled, and is correct for the application.

If a base gasket is not included with the replacement, be sure your customer gets one before he leaves. Your customer may also need new fuel hose, fuel filter, and air filter to complete the installation.

Throttle Body

OneStop Auto Shop​
Call Now for Trusted Repair & Maintenance
in Hollywood, CA

Your Dealership Alternative

Providing Auto Service for the following vehicles and more

7935 Santa Monica Blvd.
West Hollywood, CA. 90046